Graphical Abstract
Metrics
Energy Router Applications in the Electric Power System
Corresponding Author(s) : Bashir Musa Umar
Journal of Applied Materials and Technology,
Vol. 4 No. 2 (2023): March 2023
License
Copyright (c) 2023 Bashir Musa Umar, Yusuf Jibril, Boyi Jimoh, Abdullahi Bala Kunya

This work is licensed under a Creative Commons Attribution 4.0 International License.
Abstract
Energy router is being investigated to replace conventional transformer in the electric grid. Improvement so far observed in use of converter makes possible the intelligent integration between systems with different characteristics’ in terms of frequency and voltage levels as well as exploitation of generation sources and storage systems typically operating in DC. Consequently, it is believed that Energy Router is able to interconnect different portions of electrical networks and at different voltage levels and types. The Energy Router is an assembly of converters isolated by a medium or high frequency transformer. In its design, different voltage levels and types are made available to achieve high results in terms of system integration, efficiency and flexibility. This paper evaluates the main potentials of this technology if widely introduced in the main power system. Starting from the single component description, a couple of possible applications are presented and discussed.
Keywords
Full Article
Introduction
The behemoth transformer otherwise known as Low Frequency Transformer (LFT) or conventional transformer, highly efficient and reliable suffers some demerits: sensitive to harmonics, no means of power factor correction improvement, unable to be used in DC system, no protection from system disturbances etc [1-3] . A transformer also known as Energy Router (ER), Solid-State Transformer (SST), Intelligent Universal transformer (IUT) etc made up of power electronic devices can respond to control signals and eliminate the problems associated to the conventional transformer [4-6].
The ER has been investigated to replace the LFT by use of high frequency isolated AC-AC solid state conversion techniques [7,8]. The transformer employs the use of power electronic circuits an action that enables it to be operated at any desired frequency which is not possible with the LFT that operates only at the frequency of 50/60Hz [9]. The use of high-frequency modulation makes ER reduced in volume and size compared to an LFT of the same rating [10]. It also allows higher utilization of magnetic core [11]. The ER allows for Bidirectional Power Flow (BPF), it: changes power characteristics such as voltage and frequency levels; enhances power quality (reactive power compensation and harmonics mitigation); provides energy economic dispatch based on communication between utility provider, end user and other transformers in the grid [12-14] . Therefore, features of the ER make it suitable for use in the just introduced smart grid [15]. Applications purview of the ER is wide, ranging from Wind Farm (WF), Solar Farm (SF), Charge Station (CS), Tidal Power Plant (TPP), Tractions etc [16] . Generally, ER can be used in OFF-Shore Energy Generation (OSEG), Traction Drive System (TDS), Integration of Distributed Renewable Energy Resources (DRER) and Distributed Renewable Energy Storage Systems (DRESS) [17-21] . A detailed description of the ER and some of its area of applications are presented in the paper.
Concept of ER
The ER is seen to be a better candidate to meet up with requirements of the smart grid [22]. An ER comprised of three main stages: A converter to produce high-frequency AC from input line frequency Alternating Current (AC) of 50/60Hz, isolation by a high/medium-frequency transformer (M/HFT), and a converter to produce AC with line frequency from AC high frequency [8]. Additionally, the isolation barrier partitions the transformer into two parts: high voltage and low voltage parts [3]. In addition to being able to perform the same functions as an LFT, ER provides a range of services as earlier mentioned. This device is introduced by various authors with different nomenclature, such as [1,2,23-25] : Electronic Transformer (ET) by McMurray in 1968, Solid-State Transformer (SST) by Brooks in 1980, Intelligent Universal Transformer (IUT) by Electric Power Research Institute (EPRI), US in 1995, Electronic Power Transformer (EPT) by Asea Brown Boveri (ABB) company in Switzerland, Power Control Centre (PCC) by Borojevic, Power Router (PR) by Wang, MEGA cube by Swiss Federal Institute of Technology (ETH) Zurich, etc. It also operates as an electronic power interface between medium voltage (MV) and low voltage (LV) [13,26,27] .
Description of ER
The ER is a power electronic based device that has been investigated for over two decades to replace the LFT by use of a high frequency transformer isolated AC-AC conversion technique [28,29]. ER is a transformer composed of converters isolated by a high/medium frequency transformer [4,30] . The schematic of an ER is as presented in Figure 1.
Basically, the operation of the ER is as follows [1]:
i. Change the 50/60 Hz AC medium voltage to a high frequency voltage (normally in the range of several kHz to tens of kHz).
ii. Step down the high frequency voltage by the use of a high frequency transformer.
iii. Shape the high frequency waveform back to the desired 50/60 Hz voltage.
Figure 1.Figure 1. Schematic of an ER [31]
Topologies of ER
ER is an emerging technology that offers bi-directional power flow. It is a collection of high-powered semiconductor components (such as MOSFETs or IGBTs), high/medium-frequency transformer, offering reactive power compensation, harmonics reduction and provide a high level of flexible control in the distribution networks [1].
Different topologies of ER have been studied to improve the performance of the transformer [32]. The possible topologies so far arrived at are classified as single stage, two stages and three stages ER as shown in Figure 2. The ER topologies are as summarized in Figure 3.
Figure 2.Figure 2. Topologies of ER a) single-stage, b) two-stage with LVDC link, c) two-stage with HVDC ink, and d) three-stage [33]
Figure 3.Figure 3. General Classifications of ER
Single stage AC-AC ER
Single stage AC-AC ER as shown in Figure 2 (a) consists of High Frequency (HF)-Link and Low Frequency (LF)-Bridge. This category of ER employs the use of a simplest control strategy; it can be an AC/AC Full bridge converter where it cannot offer the input power factor correction [34]. The second class of the Single stage AC-AC ER can be inform of an AC/AC Fly back where the switches are replaced to four quadrant switches which can allow the bi-polar voltage and current. Nevertheless, in this topology of the ER the number of switches is doubled to build the four quadrants. Figure 4 (a) and (b) show Full Bridge and Fly back converters respectively as AC-AC ER. The selection of which topology is to be used for the AC/AC depends on the required output power. A single stage ER circuit is the simplest compared to two and three stages and functions at lower switching frequency which means the lower switching losses and indeed higher frequency [35]. However, it provides limited functionalities compared to the other configurations [36]. The full schematic of a single stage AC-AC ER is as shown in Figure 5.
Figure 4.Figure4. (a) Full Bridge Converter as AC-AC single stage ER, (b)Fly Back converter as single stage AC-AC ER
Figure 5.Figure 5. Schematic of a Single stage ER [37]
Two stages AC-AC ER
As shown in Figure 2 (b), even though the two stages AC-AC ER also consists of the HF and LF links just as case was with the single state, Here the two links are separated by a Low Voltage Direct current (LVDC) link. This is because the two stages ER topology is based on AC-DC conversion stage. DC link is used in the topology, the AC-DC conversion stage could have an isolated boost converter with Pulse Width Modulation (PWM) DC-AC converter or Dual Active Bridge (DAB) with PWM AC-DC converter and in the two techniques the DC link supplies low voltage.
Furthermore, isolated boost converter consist of modulated PWM voltage at the input to obtain sinusoidal input current, this topology has a disadvantage of using two different control strategies depending on direction of power flow. Also, the DAB has to use phase shift angle modulation to obtain sinusoidal input current [4,38,39]. The disadvantages of this technique are high sensitivity and large ripple current. The switching losses the two and three stages ER are the same. However, three stages could offer additional functionalities compared to two stages [35] . A two stages ER can also use High voltage DC link (HVDC), if Cyclo converter is used for the AC-AC conversion with HFT [5]. A schematic of two stages ER is as presented in Figure 6.
Figure 6.Figure 6. Schematic of a two stages ER [37]
Three stages AC-AC ER
The three stages ER is the most acceptable type of ER. It offers all required functionalities available with ER [20] . It is made up of two DC links instead of one as shown in Figure 7. it is based on either having PWM AC-DC converter and DC-DC DAB with PWM DC-AC converter or Multilevel AC-DC converter and a DC-DC Full-bridge with PWM DC-AC converter [40] . The biggest demerit of this type of ER is use of large number of components. This action increases switching and static losses and consequently affects the efficiency and reliability of the ER [41] . This issue can be addressed by reducing number of passive elements and efficient filters at both output and input sides of the ER. The earlier could be achieved by the use of a three phase DAB converter instead of using three single stage cascaded DABs in case of a three phase ER. However, the three stage topology is the most suitable for the ER technology. This is because it offers: wide controllability; high performance; and capabilities. The added DC links decouple high voltage side from low voltage side, allowing better control of voltages and currents in both sides. This action helps to solve problem of voltage regulation included in the two stage ER and add more functionalities of the ER such under and over voltage protection [32] . Schematic of three stages ER is as shown in Figure 1 .
AC-DC Conversion Stage
Here, the LF grid AC voltage is converted to DC [2] . An AC-DC converter is being used to connect a grid to DC link at its side [11]. The AC voltage of low frequency of 50/60 Hz is supplied to ER. The supplied AC voltage is converted to DC type by use of power electronic converters [19] . If the operating voltage of the grid is Medium i.e. it is higher than 1kV but lower than 100kV, high voltage power switches such as IGBTs and MOSFETs are being used in the design of the AC-DC converter [42] . In some areas of applications, where weight and size are not significant, ER offers harmonic filtering by use of its AC-DC stage which employs use of a PWM converter and an in-built filter, which is much needed in the areas o application such as the existing grid system and smart grid.
Generally, converters are classified into two types [43]:
i. External Commutation converters – these are converters in which the energy required to turn OFF the SCRs is provided by an external power supply.
ii. Self Commutation converters – This class of converters can be designed using GTOs, IGBTs, MOSFETs or Power transistors
In the design of the ER, self commutation converters are usually being used. There are three types of self commutation converters [44]:
i. Voltage Source Converters (VSC)
ii. Current Source Converters (CSC)
iii. PWM for both VCC and CSC
VSC also known as forced-commuted converters are self-commutated types of converters which connects HVAC and HVDC systems using devices suitable for high power electronic applications, such as MOSFETs and IGBTs [42] . The VSC have large capacitor on the DC side and therefore, it maintains the DC current constant. On the other hand in the CSC an inductor maintains the DC current constant [45] . Schematic of VSC and CSC is as shown in Figure 7 .
Figure 7.Figure 7. Schematic of a VSC
DC-DC Conversion Section
The DC-DC conversion section of the ER also known as isolation stage is its core unit. The DC-DC conversion section consists of three parts [46]:
i. DC-AC converter;
ii. High Frequency Transformer (HFT);
iii. AC-DC converter.
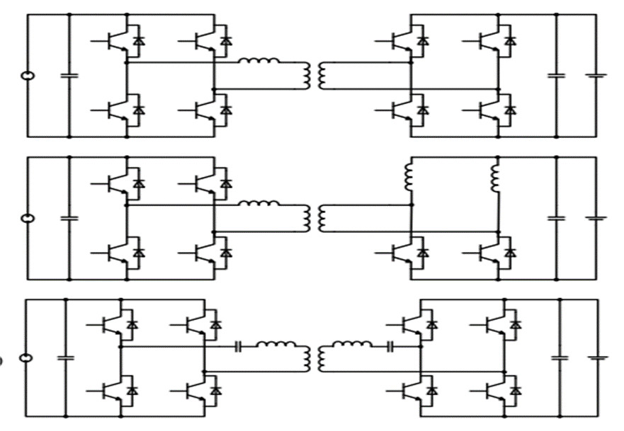
Several attempts have been made to present some topologies that can be used to set up the Isolation stage of the ER by considering peculiarities in circuit complexity, operating characteristics and performances required of the SST within which it is to be used [47] . Three suitable topologies for the DC-DC conversion section are as presented in Figure 8 .
Figure 8.Figure 8. Topologies for DC-DC conversion stage of ER: a) Dual Active Bridge (DAB) converter; b) Bi-directional isolated current doubler converter; c) LLC resonant converter.
DAB converter
As in Figure 8 (a), the DAB converter is composed of two H-bridges connected by a HFT [31,48] . Leakage inductance of the transformer is used to store energy, which is needed for the current control in the converter [34] . If the leakage inductance of the HFT is too small, external inductance may be connected in series with the HFT.
The DAB converter offers the following advantages [48]:
i. High controllability and
ii. Good soft switching
However, the DAB converter suffers the demerit of large harmonic content in the input and output current that imposes the use of big capacitors, in particular on the secondary side, to contain the voltage to contain the voltage oscillations of the DC links [49]. This challenge has been investigated with the view to mitigating it.
Bi-directional isolated current doubler converter
The only difference between DAB converter and the Bi-directional isolation current doubler converter is that in later the inductors the two upper switches of the secondary bridge are replaced by an inductor as shown in Figure 8 (b).
The Bi-directional isolation current doubler converter is associated with lower conduction losses and higher current controllability compared to DAB converter. However, it is associated with the following disadvantages [50] :
i. The transformer must be of power rating
ii. Two large inductors must be used in the secondary side
iii. Its operating voltage is limited.
LLC resonant converter
The LLC resonant and Bi-directional isolation current doubler converters are derived from DAB converter topology [51] . To form the LLC resonant converter one or more capacitor is or are connected in series or in parallel to the leakage inductances of the HFT [52] . Because of the resonance, Current in AC link is quasi-sinusoidal and switches commutate with lower losses because of the resonance in this type of converter. Consequently, higher power density and higher operating frequency are attained compared to DAB converter [52]. Moreover, the additional capacitor filters the DC content of the primary current in being filtered by an additional capacitor of the design of the converter. This action enables avoidance of saturation of core of HFT. The disadvantages of LLC resonant converter are:
i. Design of LLC resonant converter requires use of large inductors and capacitances and
ii. The converter is high sensitive to variation of H-bridge switching frequency.
High frequency transformer
The High Frequency Transformer (HFT) is one of the main components of DC-DC conversion section, and a major component in the design of ER [38] . The use of the HFT accounts for the reduction in size and weight [53] . Design of HFT is made a bit difficult because of the requirement about power, operating frequency, and, voltage in case of MV grid [54] . The magnetic materials used in LFT are not suitable to achieve high power and low losses at high frequency because of [55,56] :
i. Hysteresis Losses (HLs) – the reversal magnetization in the transformer core generates HLs. The HLs which depend on magnetic characteristics of material used while designing a core are proportional to the frequency.
ii. Eddy Current Losses (ECLs) – The ECLs are produced by currents generated by the voltage induced by variable magnetic flux density which circulate in the core. ECLs are proportional to the frequency and square of the flux density magnitude. Core lamination can reduce ECLs at industrial frequency. This technique, however, becomes impracticable At high frequency materials with high resistivity must be selected for the core as lamination of the core cannot mitigate the ECLs.
Some magnetic materials being used in the design of power transformers are: ferrite, silicon still, amorphous and nano-crystalline. The following should be taken into account while selecting best material for the given application [1,57] :
i. Characteristics of saturation flux density of the material
ii. Curie temperature and
iii. Maximum operating temperature.
DC-AC Conversion Section
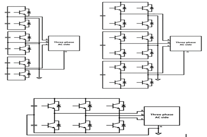
At DC-AC conversion section as shown in Figure 1 , the ER performs its last function which is to change output DC voltage, sustained by the DC-DC converter, in to AC voltage [58] . At this conversion stage low voltage is involved, irrespective of the grid operating voltage. Some of the commonly used topologies in the DC-AC conversion stage are [32]:
i. Half bridge and
ii. Full bridge converters.
If required, the half bridge or full bridge converters may be connected in parallel to form multi-phase converters as shown in Figure 9 .
Figure 9.Figure 9. Schematic of DC-AC Converters: a) Single-Phase half bridge; b) Single phase full bridge; and c) Three-phase half bridge
Comparison of LFT and ER
The following advantages and disadvantages are identified with the LFT.
Advantages of LFT
LFT provides a cheap and efficient method to convert voltage and provide galvanic insulation since its invention in 1880s [1]. Some advantages of the LFT are [6]:
i. Simple structure
ii. High reliability
iii. High efficiency of about 100%
Disadvantages of LFT
However, despite the widespread use of the LFT in the power system due to its identified advantages, it has the following disadvantages [1,2,26] :
i. It made of high volume and weight
ii. It is associated with concern on oil use and related environmental issues
iii. It involves core saturation and produces harmonic
iv. Any unwanted change(s) in the input directly affect the output voltage.
v. Output current of LFT affects its input current.
vi. It is increases losses as it works at approximately 30% of its appraised load.
vii. It gives losses at no-load
viii. Most LFTs have voltage regulation problems. Etc.
Advantages of ER
ERs have several advantages which make it suitable to replace LFT in the grid. Some of the advantages include [1,2,59]:
i. Volume and weight reduction due to use of high-frequency transformer. The size and frequency of the ER are inversely proportionally related.
ii. It enables power factor correction
iii. It can operate as an islanding
iv. It is made with high controllability strategy
v. It can instantaneously regulate voltage
vi. It improve sag and swell voltage
vii. The output of ER can be in different frequencies and phases different from the input.
viii. It is possible to have DC line as input or output.
ix. It can isolate fault
x. Possibility separate active and reactive power flow control is available with ER
xi. It can control fault current in primary and secondary sides
xii. It is able to preserve the output power for a limited cycle via DC link capacitor.
Disadvantages of ER
In spite of the many advantages of ER as earlier mentioned still some problems hinders general acceptance to completely replace the LFT. Most of the problems with the ER are due to its emerging and its manufacturing technology. Researchers have been ongoing to resolve most if not all of the problems [1]. Some of the disadvantages identified with the ER are as follows [16,60,61] :
i. ER is more expensive than LFT of the same rating. However, the cost of ER is expected to drastically decrease with rapid advances in power electronics technology. Furthermore, the increase in the price of copper and electrical steel sheets increases the cost of LFT.
ii. The reliability of LFT is high and therefore, can be used in harsh environmental conditions. The complex structure of ER makes its reliability lower than that of the LFT. However, the reliability of ER will be improved with the progress being recorded in power electronic semiconductor technology.
iii. It is difficult to easily compare efficiency of LFT and that of the ER. The LFT efficiency is very high, about 98.5% to 99.5%, while the SST efficiency has been stated in various articles to be around 90% to 95.1%. Although the efficiency of early generation SSTs is lower than that of LFT, it is unclear what the efficiency of SST will be in the future as efforts are being made to improve it.
LFT and ER Functions Comparison in Smart Grid
LFT has been investigated since introduction to be improved upon. However, at present, any effort to improve it will yield little or no result. This is because, its main principle remain the same for a very long period of time [7] . On the other hand, some of the numerous advantages of ER as enumerated earlier will make it stand a better chance to be used in the smart grid instead of the LFT which can never be changed from its basic principle to accommodate the SG’s requirements [6]. The introduction of concept of bi-directional power transmission is possible in the smart grid by use of ER [62]. At present, distribution networks and Medium Voltage (MV) network are linked together through a passive magnetic core (LFT) [63] . By the design of LFT, any disturbance in the distribution network affects the MV network, and consequently, other safe networks are unnecessary affected [2] . In a smart grid, if conventional LFT is used, integration of Distributed Renewable Energy Sources (DRESs) and Distributed Renewable Energy Storage Systems (DRESSs) is not possible. This is because many problems such as voltage instability, protection failure, unintentional islanding, etc will come up [6] Replacing LFTs with ERs will provide solution to the earlier mentioned problems. Because the ER can solve the listed problems in the distribution network by facilitating controlled bi-directional distribution of active and reactive powers, and provision of a robust DC bus to isolate the disturbance on its both sides of the [64].
Areas of Application of ER
Due to the advantages of ER of flexibility, control and means of communication among others, it can replace LFT in electrical power system [46,65] . The ER is considered as an AC- AC converter. Furthermore, additional functionalities provided by the ER indicate that it is really a smart transformer. [39] . The use of power electronics control by the ER makes it superior over the LFT. Meanwhile, availability of DC and AC ports in the ER makes interface of both AC and DC type of DRERs and DRESSs possible. Provision of this function makes ER very promising in the smart grid network [11,16,22,63] . By the fact that the volume of the transformer is inversely proportional to the frequency increases, the volume and weight of an ER are smaller compared to those of the LFT. Consequently, ER concept is very attractive in weight-sensitive applications such as shipboard power systems [66,67] . Some of the areas of applications of ER are as shown in Figure 10.
Figure 10.Figure 10. Potential Applications of ER in Smart Grid (26)
Some of the areas of applications of ER are discussed as follows [6,8,13,37,58,68,69] .
Offshore Energy Generation
With the ER DC-DC application is possible. Figure 11 presents a DC Offshore grid. Conventional LFT are necessary for galvanic isolation and substantial voltage step up/down within a network [70] . An LFT, however, requires an AC voltage to work. Therefore, DC-AC and AC-DC conversions are required [71] . Also transformer operating frequency can be modified. After the AC-DC conversion an inverter will be necessary to convert the DC voltage into AC.
Lesser weight and volume of ERs will be useful in offshore energy generation. This action will make the offshore platform smaller and cheaper. In addition, achievement of unity power factor is possible with the ER. This action increases power transfer efficiency [11].
Figure 11.Figure 11. Offshore wind farm DC collection grid (26)
A clear presentation of the wind energy conversion using ER is as presented in Figure 12 .
Figure 12.Figure 12. An induction generator-based wind energy conversion system using ER (26)
Locomotive and Other Traction System
ERs have been used in traction technology by ABB and other companies and researchers. In 2011 ABB company presented world’s first ever 1.2MVA ER as shown in Figure 13 . If in a traction conventional LFT with back-back converter is used, ER can replace the as shown in Figure 14 (a).
Figure 13.Figure 13. ABB ER Prototype in 2011 (65)
In Figure 14 (b), ER replaced LFT and provides voltage insulation and voltage adaptation. The efficiency in this scenario is increased from 90.5 to more than 95%. Furthermore, the replacement enables achievement of significant reduction in size and weight of the system. Size reduction in traction system is very important as it could offer more passenger places.
Figure 14.Figure 14. Application of ER in Traction: a) Traction chain using LFT; and b) Traction chain using ER.
Distribution Network
ER can be used to solve some of the challenges associated with the LFT in the distribution systems [1]. LFT has been used since 1887 when the AC system is introduced. The LFT basic design did not significantly change in recent time. However, some modifications were introduced to solve some problems in the network [2] . These modifications were:
i. Use of Auto-Tap-Changer and voltage regulation transformer to provide solution to the problem of mutual contact between input and output voltages;
ii. Use of FACTS to improve power quality; change the standard of the design of distribution transformer to work for a maximum efficiency at 50% loading. This contradicts the known design tradition of the transformer of operation at highest efficiency while working at about 100% loading.
ER has the capability to counter many problems associated with the LFT. These problems include but not limited to:
Power quality
Considering Figure 1 , the LV and MV are connected together via power electronic based converters. The involvement of the converters that facilitate the separation of the two voltages will bring about improvement of the power quality at the LV part [62] . In the two and three stages topologies of the ER as discussed earlier, the output voltage is supplied by DC energy storage capacitor otherwise known as DC link capacitor. This action prevents the LV from any sag or dip initiated at the MV part [1]. Moreover, the AC-DC converter input voltages are output voltages of the control loop. A range of load regulates the control loop. This action results in an perfect voltage regulation [72].
Protection
ER utilizes control strategy to control magnitudes of the input and output voltages. These parameters were sensed and monitored. At first, when any fault occurs the ER will work as a relay in the system, and DC-AC could complete supplying the other phases in case of any fault along any single phase [31]. Furthermore, when fault current occurs in the LV side which is connected to consumers, ER will serve as a fence, thereby preventing the primary side from being affected as controllers will automatically decrease the output voltage increased by the occurrence of fault current thereby limiting the power flow into ER [28]. This further explains additional advantages of ER over LFT in terms of protection.
Communication
The essence of the idea to retrofit the conventional grid with the smart grid is to achieve online communication so that decisions could be made automatically [73] . This is achieved by use of control system strategy with the power electronic devices in the grid. The act of delivering information of the system during faults condition as one of the functions of ER, automatically control its certain outputs in relation to the saved information. ER enables automatic control of output power during different load conditions [11] . Some of the areas of application of the ER in the Distribution grid are as illustrated in Figure 15 .
Figure 15.Figure 15. Potential Applications of ER in Distribution grid [74]
Conclusion
The ER has been attracting research attention globally on its benefits in the grid. This paper summarily describes ER in terms of its concept, topologies, and most importantly areas of applications of the transformer. Consequently, the applications of ER as presented in the paper will enable end user to identify where and how it could be of use in different electric sections. It is evident that using the ER in the distribution network could help in achieving the required smart grid concept. In addition, it is clearly seen that the ER has capabilities to either replace the LFT or work hand in hand with it in the electric grid.
References
- Umar Bashir Musa, Jibril Yusuf, Jimoh Boyi, Kunya Abdullahi Bala, Maiwada Yusuf Abubakar, Aliyu Safiya, Mohammed Musa. Glance into solid-state transformer technology: a mirror for possible research areas. Journal of Applied Materials and Technology. 2020; 2(1)DOI
- Umar B. M, Jibril Y, Boyi J, Kunya Abdullahi Bala Maiwada, Aliyu Aliyu, Mohammed M. Review of Solid-State Transformer in Electric Power System. 2021.
- Shamshuddin Mohammed Azharuddin, Rojas Felix, Cardenas Roberto, Pereda Javier, Diaz Matias, Kennel Ralph. Solid State Transformers: Concepts, Classification, and Control. Energies. 2020; 13(9)DOI
- Shafei A.. A High Power High Frequency Transformer Design for Solid State Transformer Applications. 2019 8th International Conference on Renewable Energy Research and Applications (ICRERA). 2019. DOI
- Shadfar Hamed, Ghorbani Pashakolaei Mehrdad, Akbari Foroud Asghar. Solid‐state transformers: An overview of the concept, topology, and its applications in the smart grid. International Transactions on Electrical Energy Systems. 2021; 31(9)DOI
- N Saju, V Jegathesan, K P Aiswary. Solid State Transformers: An Emerging Trend in Power Quality Improvement. International Journal of Engineering Research and Technology. 2020; 13(5)DOI
- Bansode S. G, Joshi P. M. Solid state transformers: new approach and new opportunity. 2014.
- Samad Mahmoud Mazhar . Solid State Transformers: The State-of-the-Art, Challenges and Applications. 2019.
- Huang Alex Q.. 2 - Solid state transformers, the Energy Router and the Energy Internet. In: Su Wencong, Huang Alex Q.. The Energy Internet. Woodhead Publishing; 2019. DOI
- Hambridge Sarah, Huang Alex Q., Yu Ruiyang. Solid State Transformer (SST) as an energy router: Economic dispatch based energy routing strategy. 2015 IEEE Energy Conversion Congress and Exposition (ECCE). 2015. DOI
- Vaca-Urbano Fernando, Alvarez-Alvarado Manuel S., Recalde Angel A., Moncayo-Rea Félix. Solid-State Transformer for Energy Efficiency Enhancement. In: Vaccaro Alfredo, Zobaa Ahmed Faheem, Shanmugam Prabhakar Karthikeyan, Kumar Kannaiah Sathish. Research Trends and Challenges in Smart Grids. IntechOpen: IntechOpen; 2019. DOI
- Nondy Raton Kumar , Nondy Prema . Solid State Transformer ( SST ) For Smart Application in Power System. American Journal of Engineering Research (AJER). 2021.
- Feng Jianghua, Shang Jing, Zhang Zhixue, Liu Huadong, Huang Zihao. Solid-state transformer-based new traction drive system and control. Frontiers of Mechanical Engineering. 2017; 13(3)DOI
- Ruiz Felipe, Perez Marcelo A., Espinosa Jose R., Gajowik Tomasz, Stynski Sebastian, Malinowski Mariusz. Surveying Solid-State Transformer Structures and Controls: Providing Highly Efficient and Controllable Power Flow in Distribution Grids. IEEE Industrial Electronics Magazine. 2020; 14(1)DOI
- Vakulenko Ihor, Saher Liudmyla, Lyulyov Oleksii, Pimonenko Tetyana. A systematic literature review of smart grids. E3S Web of Conferences. 2021; 250DOI
- Huber Jonas Emanuel, Kolar Johann Walter. Solid-State Transformers: On the Origins and Evolution of Key Concepts. IEEE Industrial Electronics Magazine. 2016; 10(3)DOI
- Zhang Jiepin, Liu Jianqiang, Zhong Shigeng, Yang Jingxi, Zhao Nan, Zheng Trillion Q.. A Power Electronic Traction Transformer Configuration With Low-Voltage IGBTs for Onboard Traction Application. IEEE Transactions on Power Electronics. 2019; 34(9)DOI
- Zhang Jianhua, Wang Wenye, Bhattacharya Subhashish. Architecture of solid state transformer-based energy router and models of energy traffic. 2012 IEEE PES Innovative Smart Grid Technologies (ISGT). 2012. DOI
- Verma Neevatika, Singh Navdeep, Yadav Shekhar. Solid State Transformer for Electrical System: Challenges and Solution. 2018 2nd International Conference on Electronics, Materials Engineering & Nano-Technology (IEMENTech). 2018. DOI
- Wang Xinlu. Research the key techniques based on the energy internet system. AIP Conference Proceedings. 2017; 1864(1)DOI
- Sun Xiaoli, Li Zhengguo, Wang Xiaolin, Li Chengjiang. Technology Development of Electric Vehicles: A Review. Energies. 2019; 13(1)DOI
- Rodrigues W. A., Santana R. A. S., Cota A. P. L., Oliveira T. R., Morais L. M. F., Cortizo P. C.. Integration of solid state transformer with DC microgrid system. 2016 IEEE 2nd Annual Southern Power Electronics Conference (SPEC). 2016. DOI
- Ortiz Gabriel, Leibl Michael Georg, Huber Jonas Emanuel, Kolar Johann Walter. Design and Experimental Testing of a Resonant DC–DC Converter for Solid-State Transformers. IEEE Transactions on Power Electronics. 2017; 32(10)DOI
- Kolar J. W. , Ortiz G. . Solid-State-Transformers: Key Components of Future Traction and Smart Grid Systems. 2014.
- Rothmund D., Ortiz G., Kolar J. W.. SiC-based unidirectional solid-state transformer concepts for directly interfacing 400V DC to Medium-Voltage AC distribution systems. 2014 IEEE 36th International Telecommunications Energy Conference (INTELEC). 2014. DOI
- Mollik Mohammad Sazib, Hannan Mahammad A., Reza Md Subbir, Abd Rahman Muhamad Safwan, Lipu Molla Shahadat Hossain, Ker Pin Jern, Mansor Muhamad, Muttaqi Kashem M.. The Advancement of Solid-State Transformer Technology and Its Operation and Control with Power Grids: A Review. Electronics. 2022; 11(17)DOI
- Xu Wenzheng, Chan Nelson, Or Siu, Ho Siu, Chan Ka. A New Control Method for a Bi-Directional Phase-Shift-Controlled DC-DC Converter with an Extended Load Range. Energies. 2017; 10(10)DOI
- Tahir Umair, Abbas Ghulam, Glavan Dan, Balas Valentina, Farooq Umar, Balas Marius, Raza Ali, Asad Muhammad, Gu Jason. Design of Three Phase Solid State Transformer Deployed within Multi-Stage Power Switching Converters. Applied Sciences. 2019; 9(17)DOI
- Reddy Konda Mounika , Krishna N Sai , Reddy K Koti , Naik B Durga . Power Transformers explained practically. International Journal of Advanced Research Trends in Engineering and Technology (IJARTET). 2020; 7(5)
- Vaca-Urbano Fernando, Alvarez-Alvarado Manuel S., Recalde Angel A., Moncayo-Rea Félix. Solid-State Transformer for Energy Efficiency Enhancement. In: Vaccaro Alfredo, Zobaa Ahmed Faheem, Shanmugam Prabhakar Karthikeyan, Kumar Kannaiah Sathish. Research Trends and Challenges in Smart Grids. IntechOpen: IntechOpen; 2019. DOI
- Gajowik Tomasz, Sobol Cezary, Styński Sebastian, Malinowski Mariusz. Post-fault operation of hybrid DC-DC converter for Solid-State Transformer. IECON 2017 - 43rd Annual Conference of the IEEE Industrial Electronics Society. 2017. DOI
- Rehman Abdur, Imran-Daud Malik, Haider Syed Kamran, Rehman Ateeq Ur, Shafiq Muhammad, Eldin Elsayed Tag. Comprehensive Review of Solid State Transformers in the Distribution System: From High Voltage Power Components to the Field Application. Symmetry. 2022; 14(10)DOI
- Gautam Deepti , Bajpai Parikshit . Design and Simulation of High Frequency Solid State Transformer for Electric Locomotive Power Supply. International Journal of Recent Development in Engineering and Technology. 2021; 10(8)
- Rahman Arief Noor, Chen Sheng-Kai, Chiu Huang-Jen. Single Phase AC-AC Solid State Transformer based on Single Conversion Stage. 2019 IEEE Workshop on Wide Bandgap Power Devices and Applications in Asia (WiPDA Asia). 2019. DOI
- Falcones Sixifo, Mao Xiaolin, Ayyanar Raja. Topology comparison for Solid State Transformer implementation. IEEE PES General Meeting. 2010. DOI
- Qin Hengsi, Kimball Jonathan W.. Solid-State Transformer Architecture Using AC–AC Dual-Active-Bridge Converter. IEEE Transactions on Industrial Electronics. 2013; 60(9)DOI
- Ebrahim Adabi M., A. Martinez-Velasco Juan. Solid state transformer technologies and applications: A bibliographical survey. AIMS Energy. 2018; 6(2)DOI
- Jean-Pierre Garry, Altin Necmi, El Shafei Ahmad, Nasiri Adel. Overall Efficiency Improvement of a Dual Active Bridge Converter Based on Triple Phase-Shift Control. Energies. 2022; 15(19)DOI
- El Shafei Ahmad, Ozdemir Saban, Altin Necmi, Jean-Pierre Garry, Nasiri Adel. Development of a Medium Voltage, High Power, High Frequency Four-Port Solid State Transformer. CES Transactions on Electrical Machines and Systems. 2022; 6(1)DOI
- Hugo N., Stefanutti P., Sablières R. . Power Electronic Traction Transformer Semiconductors. 2007 European Conference on Power Electronics and Applications. 2007. DOI
- Bignucolo F., Bertoluzzo M., Fontana C.. Applications of the solid state transformer concept in the electrical power system. 2015 AEIT International Annual Conference (AEIT). 2015. DOI
- Khan Ashraf Ali, Cha Honnyong, Ahmed Hafiz Furqan, Kim Heung-Geun. Double step-down AC-AC converters with high frequency isolation. 2016 IEEE 8th International Power Electronics and Motion Control Conference (IPEMC-ECCE Asia). 2016. DOI
- Tom Binvy Moly, Ashok S. Solid state transformer for wind power interfacing. 2017 IEEE International Conference on Signal Processing, Informatics, Communication and Energy Systems (SPICES). 2017. DOI
- Yang Mengyao. Application of Power Electronics in Power System. 2016.
- Khan Saniya, Rahman Khaliqur, Tariq Mohd, Hameed Salman, Alamri Basem, Babu Thanikanti Sudhakar. Solid-State Transformers: Fundamentals, Topologies, Applications, and Future Challenges. Sustainability. 2021; 14(1)DOI
- Feng Jianghua, Chu W. Q., Zhang Zhixue, Zhu Z. Q.. Power Electronic Transformer-Based Railway Traction Systems: Challenges and Opportunities. IEEE Journal of Emerging and Selected Topics in Power Electronics. 2017; 5(3)DOI
- Fontana Christian, Forato Mattia, Kumar Kundan, Outeiro Maria T., Bertoluzzo Manuele, Buja Giuseppe. Soft-switching capabilities of SAB vs. DAB converters. IECON 2015 - 41st Annual Conference of the IEEE Industrial Electronics Society. 2015. DOI
- Baranwal Rohit, Castelino Gysler F., Iyer Kartik, Basu Kaushik, Mohan Ned. A Dual-Active-Bridge-Based Single-Phase AC to DC Power Electronic Transformer With Advanced Features. IEEE Transactions on Power Electronics. 2018; 33(1)DOI
- Ataullah Haris, Iqbal Taosif, Khalil Ihsan Ullah, Ali Usman, Blazek Vojtech, Prokop Lukas, Ullah Nasim. Analysis of the Dual Active Bridge-Based DC-DC Converter Topologies, High-Frequency Transformer, and Control Techniques. Energies. 2022; 15(23)DOI
- Wu Yu-En, Hong Rui-Ru. Multi-Functional Isolated Three-Port Bidirectional DC/DC Converter for Photovoltaic Systems. Sustainability. 2022; 14(18)DOI
- Yoo Jeong-Sang, Gil Yong-Man, Ahn Tae-Young. Steady-State Analysis and Optimal Design of an LLC Resonant Converter Considering Internal Loss Resistance. Energies. 2022; 15(21)DOI
- Bello N, Edegbe E. Design of A High Efficiency Half-Bridge LLC Resonant Converter for Low Power Application. Nigerian Institution of Professional Engineers and Scientists. 4(2)
- Moonem M., Pechacek C., Hernandez R., Krishnaswami H.. Analysis of a Multilevel Dual Active Bridge (ML-DAB) DC-DC Converter Using Symmetric Modulation. Electronics. 2015; 4(2)DOI
- Lai Jih-Sheng, Lai Wei-Han, Moon Seung-Ryul, Zhang Lanhua, Maitra Arindam. A 15-kV class intelligent universal transformer for utility applications. 2016 IEEE Applied Power Electronics Conference and Exposition (APEC). 2016. DOI
- Sankara Subramanian A.T., Meenalochini P., Suba Bala Sathiya S., Ram Prakash G.. A review on selection of soft magnetic materials for industrial drives. Materials Today: Proceedings. 2021; 45DOI
- Roger Daniel, Napieralska Ewa, Komeza Krzysztof, Napieralski Piotr. Design of High-Power Solid-State Transformers with Grain-Oriented Electrical Steel Cores. Electronics. 2022; 11(15)DOI
- Ushkewar Sandeep, Dake Vishal, Shinde Vikram. Designing of solid state pulse power modulator by fabrication of pulse transformer. 2017 Innovations in Power and Advanced Computing Technologies (i-PACT). 2017. DOI
- Hannan Mahammad A., Ker Pin Jern, Lipu Molla S. Hossain, Choi Zhen Hang, Rahman M. Safwan Abd., Muttaqi Kashem M., Blaabjerg Frede. State of the Art of Solid-State Transformers: Advanced Topologies, Implementation Issues, Recent Progress and Improvements. IEEE Access. 2020; 8DOI
- Londero Rodolfo P., Mello Ana Paula C. de, Silva Guilherme S.. Comparison between conventional and solid state transformers in smart distribution grids. 2019 IEEE PES Innovative Smart Grid Technologies Conference - Latin America (ISGT Latin America). 2019. DOI
- Parashar Sanket, Kumar Ashish, Bhattacharya Subhashish. High Power Medium Voltage Converters Enabled by High Voltage SiC Power Devices. 2018 International Power Electronics Conference (IPEC-Niigata 2018 -ECCE Asia). 2018. DOI
- Kolar Johann W. , Huber Jonas E. . Solid-State Transformer Concepts. ETH ZurichPower Electronic Systems Lab. 2016.
- Shanmugam Dhamodharan, Indiradevi K.. Implementation of multiport dc-dc converter-based Solid State Transformer in smart grid system. 2014 International Conference on Computer Communication and Informatics. 2014. DOI
- Design of Solid State Transformer. International Journal of Innovations in Engineering and Technology. 2017; 8(3)DOI
- Bhuskute Swapnil, Pawar V. S. , Patil D. S.. Modeling and Simulation Of Solid State Transformer. Zenodo. 2016. DOI
- Dujic Drazen, Kieferndorf Frederick, Canales Francisco, Drofenik Uwe. Power electronic traction transformer technology. Proceedings of The 7th International Power Electronics and Motion Control Conference. 2012. DOI
- Ismail Abdelrahman, Abdel-Majeed Mahmoud S., Metwly Mohamed Y., Abdel-Khalik Ayman S., Hamad Mostafa S., Ahmed Shehab, Hamdan Eman, Elmalhy Noha A.. Solid-State Transformer-Based DC Power Distribution Network for Shipboard Applications. Applied Sciences. 2022; 12(4)DOI
- Afonso Joao L., Cardoso Luiz A. Lisboa, Pedrosa Delfim, Sousa Tiago J. C., Machado Luis, Tanta Mohamed, Monteiro Vitor. A Review on Power Electronics Technologies for Electric Mobility. Energies. 2020; 13(23)DOI
- Rashidi Mohammad, Altin Necmi, Ozdemir Saban, Bani-Ahmed Abedalsalam, Sabbah Mohammad, Balali Farhad, Nasiri Adel. Design and Implementation of a LLC Resonant Solid State Transformer. IEEE Transactions on Industry Applications. 2020. DOI
- Zhang Ziyu, Ding Tao, Zhou Quan, Sun Yuge, Qu Ming, Zeng Ziyu, Ju Yuntao, Li Li, Wang Kang, Chi Fangde. A review of technologies and applications on versatile energy storage systems. Renewable and Sustainable Energy Reviews. 2021; 148DOI
- Kim Hyun-Woo, Park Joung-Hu, Jeon Hee-Jong. Bidirectional Power Conversion of Isolated Switched-Capacitor Topology for Photovoltaic Differential Power Processors. Journal of Power Electronics. 2016; 16(5)DOI
- Bahmani M. Amin, Thiringer Torbjorn, Rabiei A., Abdulahovic T.. Comparative Study of a Multi-MW High-Power Density DC Transformer With an Optimized High-Frequency Magnetics in All-DC Offshore Wind Farm. IEEE Transactions on Power Delivery. 2016; 31(2)DOI
- Rozanov Yuri, Ryvkin Sergey E, Chaplygin Evgeny, Voronin Pavel . Power Electronics BasicsOperating Principles, Design, Formulas, and Applications. CRC Press; 2020.
- Abu-Siada Ahmed, Budiri Jad, Abdou Ahmed. Solid State Transformers Topologies, Controllers, and Applications: State-of-the-Art Literature Review. Electronics. 2018; 7(11)DOI
- Bhuskute Swapnil, Pawar V. S. . Solid State Transformer for Smart Grid System Application. International Journal of Research in Electronics and Computer Engineering (IJRECE). 2015; 3(2)
Download Citation
Endnote/Zotero/Mendeley (RIS)BibTeX